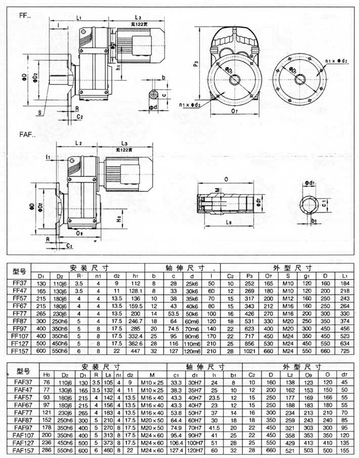
F系列平行軸斜齒輪減速電機
產品概述:
1、F系列平行軸斜齒輪減速電機采用模塊化設計,可根據客戶要求進行變化組合,
2、減速機采用漸開線行星齒輪傳動,合理利用內、外嚙合、功率分流,
3、齒輪均采用滲碳淬火處理,得到高硬耐磨表面,齒輪熱處理后全部磨齒,降低了噪音,提高了整機的效率和使用壽命。
4、齒輪減速器質量輕、體積小、傳動比范圍大、效率高、運轉平穩、噪聲低適應性強等特點。減速機廣泛應用于冶金、礦山、起重運輸、電力、能源、建筑建材、輕工、交通等工業部門。
性能特點:
1、F系列平行軸斜齒輪減速電機采用漸開線行星齒輪傳動,合理利用內、外嚙合、功率分流。因此具有重量輕、體積小、傳動比范圍大、效率高、運轉平穩、噪聲低、適應性強等特點
2、箱體采用球墨鑄鐵,大大提高了箱體的剛性及抗震性。
3、輸入方式:同心軸輸入,斜齒輪輸入,錐齒輪-斜齒輪輸入,錐齒輪輸入。
4、輸出方式:內花鍵式,空心軸收縮盤式,外花鍵式,實心軸平鍵。
5、安裝形式:水平安裝,垂直安裝,扭力臂安裝。
6、采用模塊化設計,可根據客戶要求進行變化組合。
7、和R系列、K系列組合可得到更大速比。
技術參數:
速比范圍:基本型25~4000
扭矩范圍:2.6~900 kNm
功率范圍:22~1920 kW







上一條:沒有了
下一條:G系列全封閉齒輪減速電機