CWO圓弧圓柱蝸桿減速器采用單級蝸桿減速傳動,符合行業推薦性標準JB/T7935-95(原國標GB9147-88),此標準達到國際九十年代水平。
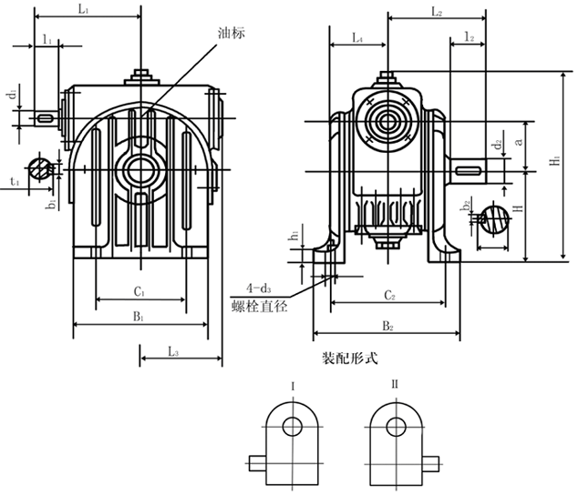
CWO63—CWO100型減速器外形和安裝尺寸:
|
型號\尺寸
|
a
|
B1
|
B2
|
C1
|
C2
|
h
|
H
|
H1
|
h1
|
i≤12.5
|
||||
|
d1
|
I1
|
b1
|
t1
|
L1
|
||||||||||
|
63
|
63
|
148
|
180
|
115
|
150
|
12
|
117
|
245
|
M12
|
19js6
|
28
|
6
|
21.5
|
128
|
|
80
|
80
|
175
|
200
|
140
|
170
|
15
|
145
|
296
|
M12
|
24js6
|
36
|
8
|
27
|
151
|
|
100
|
100
|
218
|
230
|
175
|
190
|
15
|
180
|
365
|
M12
|
28js6
|
42
|
8
|
31
|
182
|
CWO125—CWO250型減速器外形和安裝尺寸:
|
型號\尺寸
|
a
|
B1
|
B2
|
B3
|
C1
|
C2
|
h
|
H
|
H1
|
d2
|
i≤12.5
|
||||
|
d1
|
I1
|
b1
|
t1
|
L1
|
|||||||||||
|
125
|
125
|
260
|
250
|
310
|
220
|
205
|
30
|
155
|
410
|
M16
|
32k6
|
58
|
10
|
35
|
218
|
|
140
|
140
|
285
|
275
|
345
|
230
|
225
|
30
|
195
|
485
|
M16
|
38k6
|
58
|
10
|
41
|
228
|
|
160
|
160
|
325
|
300
|
385
|
230
|
250
|
35
|
195
|
510
|
M16
|
42k6
|
82
|
12
|
45
|
277
|
|
180
|
180
|
350
|
320
|
420
|
260
|
270
|
35
|
220
|
600
|
M20
|
42k6
|
82
|
12
|
45
|
292
|
|
200
|
200
|
400
|
350
|
465
|
280
|
300
|
40
|
250
|
655
|
M20
|
48k6
|
82
|
14
|
51.5
|
324
|
|
225
|
225
|
440
|
380
|
505
|
325
|
325
|
40
|
275
|
700
|
M20
|
48k6
|
82
|
14
|
51.5
|
342
|
|
250
|
250
|
510
|
410
|
575
|
370
|
350
|
45
|
310
|
820
|
M24
|
55k6
|
82
|
16
|
59
|
380
|
|
型號\尺寸
|
i≥16
|
d2
|
I2
|
b2
|
t2
|
L2
|
L3
|
L4
|
L5
|
重量 (不含油)
|
||||
|
d1
|
I1
|
b1
|
t1
|
L1
|
||||||||||
|
125
|
28js6
|
42
|
8
|
31
|
202
|
55k6
|
82
|
16
|
59
|
222
|
202
|
133
|
153
|
98
|
|
140
|
28js6
|
42
|
8
|
31
|
212
|
60m6
|
105
|
18
|
64
|
260
|
220
|
144
|
166
|
110
|
|
160
|
32k6
|
58
|
10
|
35
|
253
|
65m6
|
105
|
18
|
69
|
270
|
245
|
156
|
186
|
150
|
|
180
|
32k6
|
58
|
10
|
35
|
268
|
75m6
|
105
|
20
|
79.5
|
290
|
260
|
173
|
200
|
210
|
|
200
|
38k6
|
58
|
10
|
41
|
300
|
80m6
|
130
|
22
|
85
|
325
|
295
|
188
|
235
|
270
|
|
225
|
38k6
|
58
|
10
|
41
|
318
|
90m6
|
130
|
25
|
95
|
340
|
320
|
193
|
247
|
335
|
|
250
|
42k6
|
82
|
12
|
45
|
380
|
100m6
|
165
|
28
|
106
|
385
|
360
|
210
|
285
|
410
|
CW系列公稱傳動比及額定輸入功率P1和額定輸出扭距T2
|
傳
動
比
代
號
|
公
稱
傳
動
比
|
輸入
轉速
r/min
|
中心距代號
|
1
|
2
|
3
|
4
|
5
|
6
|
7
|
8
|
9
|
10
|
11
|
12
|
13
|
14
|
15
|
16
|
|||||||
|
中心距
|
63
|
80
|
100
|
125
|
140
|
160
|
180
|
200
|
225
|
250
|
280
|
315
|
355
|
400
|
450
|
500
|
||||||||||
|
型號
|
CWU CWS CWO
|
|||||||||||||||||||||||||
|
額定輸入功率P1(kw)、額定輸出扭矩T2(N·m)
|
||||||||||||||||||||||||||
|
1
|
5
|
1500
|
P1
T2
|
3.500
107
|
6.388
180
|
10.39
295
|
25.22
730
|
—
—
|
44.68
1300
|
—
—
|
64.90
1900
|
—
—
|
98.44
2900
|
—
—
|
141.9
4200
|
—
—
|
202.4
6000
|
—
—
|
—
—
|
|||||||
|
1000
|
P1
T2
|
2.978
123
|
4.871
205
|
8.092
345
|
21.28
920
|
—
—
|
35.59
1550
|
—
—
|
53.68
2350
|
—
—
|
91.75
4050
|
—
—
|
135.7
6000
|
—
—
|
193.6
8600
|
—
—
|
—
—
|
|||||||||
|
750
|
P1
T2
|
2.577
141
|
4.211
235
|
7.010
395
|
16.40
900
|
—
—
|
27.73
1600
|
—
—
|
43.06
2500
|
—
—
|
78.56
4600
|
—
—
|
126.4
7400
|
—
—
|
185.9
11000
|
—
—
|
—
—
|
|||||||||
|
500
|
P1
T2
|
2.120
173
|
3.367
280
|
5.436
455
|
11.64
900
|
—
—
|
19.81
1700
|
—
—
|
31.23
2700
|
—
—
|
56.14
4900
|
—
—
|
104.2
9150
|
—
—
|
169.4
15000
|
—
—
|
—
—
|
|||||||||
|
2
|
6.3
|
1500
|
P1
T2
|
3.198
114
|
5.505
200
|
9.258
340
|
21.37
800
|
27.51
960
|
38.40
1450
|
48.46
1700
|
55.38
2100
|
69.18
2450
|
83.77
3200
|
102.5
3650
|
121.7
4670
|
150.5
5370
|
137.8
7500
|
—
—
|
—
—
|
|||||||
|
1000
|
P1
T2
|
2.422
127
|
4.331
235
|
7.141
390
|
17.96
1000
|
24.97
1300
|
31.03
1750
|
43.85
2300
|
49.95
2750
|
64.08
3400
|
78.53
4500
|
95.58
5100
|
114.4
6580
|
145.3
7770
|
172.5
10500
|
—
—
|
189.9
12000
|
|||||||||
|
750
|
P1
T2
|
2.090
146
|
3.594
260
|
6.138
445
|
14.22
1050
|
19.57
1350
|
24.73
1850
|
34.50
2400
|
37.27
2800
|
56.05
4000
|
69.81
5300
|
88.76
6300
|
107.2
8200
|
134.8
9590
|
166.5
13500
|
—
—
|
183.9
15500
|
|||||||||
|
500
|
P1
T2
|
1.706
176
|
2.955
315
|
4.829
520
|
10.47
1150
|
13.65
1400
|
17.08
1900
|
24.62
2550
|
26.64
3000
|
41.03
4300
|
50.37
5700
|
67.32
7100
|
83.58
9540
|
112.5
11990
|
148.1
18000
|
—
—
|
162.7
20500
|
|||||||||
|
3
|
8
|
1500
|
P1
T2
|
2.932
127
|
4.866
230
|
7.628
365
|
17.01
830
|
24.25
1050
|
28.44
1450
|
43.51
1900
|
48.25
2400
|
61.38
2700
|
73.84
3700
|
91.68
4050
|
113.6
5720
|
136.0
6040
|
166.1
8400
|
—
—
|
—
—
|
|||||||
|
1000
|
P1
T2
|
2.255
146
|
3.908
275
|
6.144
440
|
13.55
990
|
21.70
1400
|
24.95
1990
|
39.10
2550
|
43.65
3250
|
56.13
3700
|
67.78
5100
|
84.52
5600
|
104.8
7910
|
126.7
8440
|
158.2
1200
|
174.1
12500
|
—
—
|
|||||||||
|
750
|
P1
T2
|
1.962
168
|
3.334
310
|
5.289
500
|
12.93
1250
|
16.96
1450
|
21.31
2150
|
30.67
2650
|
35.01
3450
|
50.44
4400
|
62.32
6200
|
77.46
6800
|
95.18
9540
|
114.0
10070
|
148.9
15000
|
162.4
15500
|
—
—
|
|||||||||
|
500
|
P1
T2
|
1.647
209
|
2.714
375
|
4.183
590
|
9.322
1350
|
12.25
1550
|
15.42
2300
|
21.93
2800
|
25.38
3700
|
35.91
4650
|
44.70
6600
|
61.33
8000
|
79.99
11920
|
101.7
13420
|
129.6
19500
|
147.3
21000
|
—
—
|
|||||||||
|
4
|
10
|
1500
|
P1
T2
|
2.340
132
|
4.056
235
|
6.626
390
|
14.16
850
|
17.30
1050
|
24.50
1500
|
32.10
1850
|
42.10
2600
|
50.79
3250
|
59.13
3800
|
73.68
4750
|
94.55
5910
|
140.2
7480
|
146.2
9200
|
—
—
|
—
—
|
|||||||
|
1000
|
P1
T2
|
1.800
150
|
3.250
275
|
5.132
450
|
12.78
1150
|
16.05
1450
|
21.96
2000
|
28.62
2450
|
37.06
3400
|
43.94
4200
|
51.10
4900
|
64.39
6200
|
87.71
8200
|
11.24
10550
|
138.1
13000
|
162.2
14500
|
176.0
16500
|
|||||||||
|
750
|
P1
T2
|
1.594
170
|
2.729
310
|
4.401
510
|
10.54
1250
|
12.95
1550
|
17.41
2100
|
23.73
2700
|
28.83
3500
|
35.14
4450
|
46.40
5900
|
57.94
7400
|
80.74
10010
|
100.2
12470
|
132.0
16500
|
156.0
18500
|
164.1
20500
|
|||||||||
|
500
|
P1
T2
|
1.272
209
|
2.203
370
|
3.542
610
|
7.714
1350
|
9.355
1650
|
12.88
2300
|
16.96
2850
|
20.87
3750
|
26.401
4960
|
35.62
6700
|
45.57
8600
|
64.70
11920
|
82.81
15340
|
118.1
22000
|
137.8
24500
|
147.4
27500
|
|||||||||
|
5
|
12.5
|
1500
|
P1
T2
|
2.036
137
|
3.534
240
|
5.579
385
|
11.27
800
|
14.74
1000
|
19.32
1400
|
25.36
1800
|
32.62
2450
|
42.61
3050
|
52.23
3850
|
71.95
5200
|
79.91
6100
|
105.1
8050
|
130.4
10000
|
—
—
|
—
—
|
|||||||
|
1000
|
P1
T2
|
1.594
159
|
2.840
285
|
4.465
460
|
9.919
1050
|
13.37
1350
|
17.63
1900
|
23.21
2450
|
29.04
3250
|
38.43
4100
|
47.23
5200
|
66.84
7200
|
73.88
8300
|
96.65
11030
|
127.1
14500
|
152.5
17000
|
183.3
20500
|
|||||||||
|
750
|
P1
T2
|
1.370
182
|
2.432
325
|
3.977
540
|
8.946
1250
|
11.91
1600
|
15.38
2200
|
21.05
2950
|
24.93
3700
|
35.26
5000
|
44.42
6500
|
62.16
8900
|
69.26
10500
|
91.39
13900
|
118.3
18000
|
141.2
21000
|
174.3
26000
|
|||||||||
|
500
|
P1
T2
|
1.126
223
|
1.967
390
|
3.121
630
|
6.794
1400
|
9.104
1800
|
11.16
2350
|
16.00
3300
|
17.60
3850
|
27.75
5800
|
32.91
7100
|
45.05
9500
|
55.40
12400
|
76.37
17200
|
101.3
23000
|
126.2
28000
|
157.3
35000
|
|||||||||
|
6
|
16
|
1500
|
P1
T2
|
1.728
137
|
3.019
250
|
4.930
415
|
11.06
960
|
13.63
1200
|
19.62
1750
|
23.11
2200
|
33.22
3000
|
39.52
3700
|
46.71
4250
|
57.25
5400
|
77.70
7150
|
94.45
8920
|
124.2
11500
|
—
—
|
—
—
|
|||||||
|
1000
|
P1
T2
|
1.359
159
|
2.375
290
|
3.820
480
|
9.651
1250
|
12.26
1600
|
16.27
2150
|
19.81
2800
|
25.78
3450
|
30.89
4300
|
41.99
5700
|
51.16
7200
|
72.91
10020
|
86.88
11990
|
115.4
16000
|
127.4
18000
|
151.4
21500
|
|||||||||
|
750
|
P1
T2
|
1.170
182
|
2.023
325
|
3.326
550
|
7.871
1350
|
9.877
1700
|
12.97
2250
|
15.60
2900
|
20.64
3650
|
26.61
4900
|
37.26
6700
|
45.01
8400
|
65.59
11920
|
83.95
15340
|
106.4
19500
|
122.6
23000
|
142.9
27000
|
|||||||||
|
500
|
P1
T2
|
0.963
223
|
1.664
400
|
2.661
650
|
5.677
1400
|
6.930
1750
|
9.124
2350
|
11.397
3150
|
14.868
3900
|
18.69
5100
|
27.11
7200
|
33.09
9100
|
47.75
12880
|
61.95
16780
|
86.09
23500
|
109.3
30500
|
128.2
36000
|
|||||||||
CW系列減速器的安裝、使用與維護(GB9147—88)
減速機的安裝、使用與維護
1.減速器的主動軸直接與電機聯結時推薦采用彈性聯軸器,減速器被動軸直接與工作機聯結時推薦采用齒式聯軸器或其他非剛性聯軸器。
2.減速器的主動軸線和被動軸線與聯接部分的軸線保證同心,其誤差不得大于所用聯軸器的允許值。
3.減速器安裝使用時手轉動必須靈活,無卡住現象,蝸桿軸承和蝸輪軸承的軸向間隙應符合技術要求的規定。
4.安裝好減速器在正式使用前,應進行空載及部分額定載荷間歇運轉各1~3小時后方可正式運轉,運轉應平穩無沖擊,無異常振動和噪聲及漏油等現象,最高油溫不得超過85℃如發現故障應及時排除。
5.減速器的潤滑
a、蝸桿蝸輪嚙合一般采用浸油潤滑,浸油深度,對蝸桿在蝸輪之下為蝸桿全齒高:對蝸桿在蝸輪之上和之側的為蝸輪外徑1/3。
b、減速器推薦采用蘭煉33#潤滑油。
c、減速器的潤滑油油量按油標加注,并參照下表所列油量備油。
|
中心距a(mm)
|
80
|
100
|
125
|
140
|
160
|
180
|
200
|
225
|
250
|
280
|
315
|
355
|
400
|
450
|
500
|
|
油量(L)
|
1.5
|
2.6
|
4.5
|
6
|
8.5
|
12
|
15
|
20
|
26
|
35
|
48
|
63
|
82
|
112
|
150
|
d、潤滑油的更換 新減速器(或新更換蝸桿付)第一次使用時,當運轉7—14天后須更換新油。在以后的使用中定期檢查油的質量,對于混入雜質或老化變質的油必須隨時更換。但一般情況下,對于長期連續工作的減速器,須每2—3個月換油一次,對于每天工作時間不超過8小時的減速器,須每4—6個月換油一次。在工作中當發現油溫顯著升高,溫升超過60℃或油溫超過85℃,油的質量下降以及產生不正常的噪音等現象時,應停止作用,檢查原因,如因齒面膠合等原因所致,必須修復排除故障,更換潤滑油后再用。
6.減速器應半年一次或定其檢修,發現擦傷膠合及顯著磨損,必須采取有效措施制止。備件必須按圖樣制造,保證質量,更換新的備件后必須經過跑合和負荷試車后再正式使用。
|
型號\尺寸
|
i≥16
|
d2
|
I2
|
b2
|
t2
|
L2
|
L3
|
L4
|
重量(不含油)
|
||||
|
d1
|
I1
|
b1
|
t1
|
L1
|
|||||||||
|
63
|
19js6
|
28
|
6
|
21.5
|
128
|
32k6
|
58
|
10
|
35
|
135
|
97
|
70
|
19.5
|
|
80
|
24js6
|
36
|
8
|
27
|
151
|
38k6
|
58
|
10
|
41
|
143
|
110
|
81
|
28 .5
|
|
100
|
24js6
|
36
|
8
|
27
|
176
|
42k6
|
82
|
12
|
45
|
182
|
130
|
95
|
43
|
上一條:二次包絡蝸輪蝸桿減速機
下一條:HW系列直廓環面蝸桿減速機